




一、 產品概述
我公司是專業制造螺旋板式換熱器的企業,有卷制螺旋板式換熱器的大型專機,制造工藝先進,經驗豐富,確保可靠的差品質量。
螺旋板式換熱器廣泛應用于石油化工、食品、制藥、機械、供熱和廢棄廢液的熱回收等領域,典型應用是酒精加工和焦化企業的貧富油加工。
螺旋板式換熱器與其他種類換熱器相比的特點是,傳熱流道長、流道間距大、耐熱溫、不易泄漏。因此它換熱效率較高,換熱后冷介質的溫度容易接近熱介質的溫度,適于粘稠性物料和含有顆粒性物料的加溫或降溫處理,但不適于含有纖維性物料換熱。螺旋板式換熱器也適用于有機化合物蒸汽的冷凝加工。
二、螺旋板式換熱器的基本構造和工作原理
螺旋板式換熱器是由兩張較長的鋼板疊放在一起卷制而成的,如圖一,每張板上均布地焊有定距柱,它使兩張板之間產生一定的間距,形成換熱流道,定距柱起到支撐鋼板抵抗流體壓力的作用,也起到流體在換熱流道中流動時增加湍流從而提高換熱效率的作用。相鄰兩流道流過的兩種流體溫度不同,它們通過螺旋鋼板進行傳熱,達到換熱的目的。兩流道的間距可以相同,也可不同。流道間距不能太小,也不能太大,太小容易堵塞,太大不利于傳熱,在制造工藝結構上也難以實現,一般為 8-30mm 較為適宜。

圖 一
對于進行換熱的兩種介質,如果都是液體,在螺旋板式換熱器的六道中是按螺旋方向流動的,如圖二,并且按逆流的方式流動,所謂逆流是指相鄰流道中兩種液體流動的方向相反,這樣能使兩流體在相互傳熱的流程中始終保持一定的溫差,從而可獲得較好的效果。
對于換熱的兩種介質,一種是液體,另一種是汽(氣)體,可按錯流方式流動,所謂錯流,是指液體按螺旋方向流動,汽(氣)體按換熱器的軸向直接通過,如圖三,這主要是考慮到汽(氣)體的特點,適于較大的流量,減少阻力,適用于有機蒸汽冷凝。根據具體工況,蒸汽也可按螺旋方向流動,但氣體由于熱容量較小,一般那要按軸向直接通過。

圖 二 圖 三
三、螺旋板式換熱器的類型
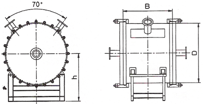
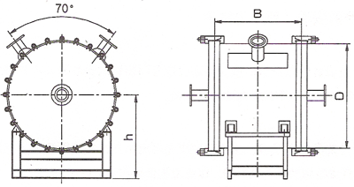
1.不可拆式
卷制后的螺旋板式換熱器,其兩端焊死,它不可拆卸,形成固定結構,流程內部不可觸及。它適用于不易堵塞的流體換熱。不可拆式又有臥式和立式的結構。

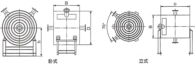
2.可拆式
卷制后的螺旋板式換熱器,每端只將一個流道焊死,而 另一個流道開放,然后在端面上加端蓋加以密封。其端蓋可以拆卸,從而清理流道內部。它適用于易堵塞的流體換熱。

3.特殊形式
有些化工上用的螺旋板式換熱器,根據加工工藝的要求,需要諸如的特殊結構,兩端帶有封頭、端蓋或兩個換熱器串到一起,結構不一,需要設計部門專門設計。

構成螺旋板式換熱器的主換熱材料,主要分為碳鋼和不銹鋼兩大類,碳鋼的螺旋板材料為Q235A,不銹鋼的螺旋板材料主要有0Cr19Ni9(SUS304)和00Cr17Ni4Mo2(SUS316L)。
四、螺旋板式換熱器的選型計算


五、螺旋板式換熱器性能極其型號的表示方法
螺旋板式換熱器的最高工作溫度可達構成換熱器材料所能耐用的最高指標,最高可達300攝氏度。設計壓力可分為0.6、1.0、1.6MPa,相應地,針對碳鋼板而言螺旋換熱板的厚度應為4、5、6mm。

六、螺旋板式換熱器的參數表








七、螺旋板式換熱器的安裝、使用與維護
1、安裝:螺旋板式換熱器應按設計圖紙安裝聯接。基礎應是專門設計的強度較高的混凝土基礎。周圍應留有足夠的空間,以便使用和檢修,地下應設有地漏排水道。
2、使用:使用中不得超出設計的壓力和溫度。運行之前應先用清水沖洗換熱器流道。在液體介質進口之前應設有過濾器,避免帶有纖維性物質進入換熱器,以免發生換熱流道堵塞。
3、維護:在日常使用中要定時檢查,停用后要及時清理流道內的殘存物質。如換熱流道內發生結垢或堵塞,可用蒸汽吹掃來清理,也可根據結垢的成分用化學堿溶液或酸溶液進行清洗。